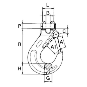
Crochet à linguet à chape CBX

Catégorie :
error: